
Mini 7.2*5.08mm 16 level vertical patch rotary encoder switch
-Ultra thin size high-density installation
-Various gears including 4, 6, 8, 10, and 16
-THT, SMD, Angled various foot types
-IP67 (waterproof, dustproof)
-Compliant with RoHS standards
-High reliability gold-plated contacts

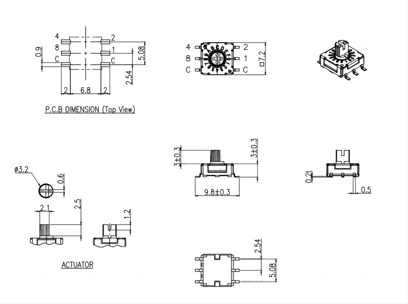
1. Model: GSPR-16S
2. Gear: 0-16 gears
3. Specification: 7.2mm * 7.62mm
4. Spacing: 5.08mm
5. Foot position: Double row 6-pin 8421 with C common foot
6. Packaging: Vertical patch with handle 2.5mm and notch
7. Origin: Authorized agent of SUNGMUN brand in South Korea.
8. Lifespan: 25000 cycles.
9. Function: GSPR-16S rotary switch, users can rotate the shaft handle to the desired end position, which can reflect the output value of BCD coding.
Application scope: Mainly used for most industrial equipment such as facial recognition temperature measurement all-in-one machine, AI computing box, digital sentry, USB camera, wireless keyboard with touchpad, etc.

Electronic switches are widely used in various fields, including home, business, automotive, electronics and industry.
Rotary DlP Switch Application
Rotary DlP Switch Application
Rotary DlP Switch Application
